油研A系列變量柱塞泵
支持多種控制方式
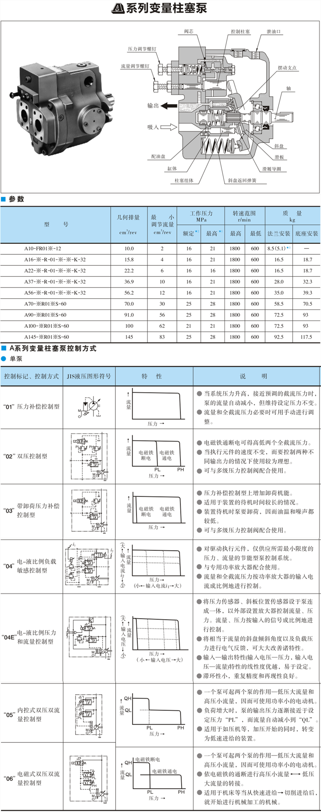
提供十種獨特的控制方法,集成了放大器和傳感器。這些控制類型的范圍從標準壓力補償器控制到比例電磁閥壓力/流量控制。
可提供從 10 到 219 cm3/rev(0.610 到 13.36 cu. in. /rev)的各種排量
Yuken油研A10、16、22、37、45、56、70、90、100、145、220系列柱塞泵特點:
整體效率高
低噪音水平(例如:Yuken A16 泵在 210 bar / 1500 rpm 等于 57.3 dB)
許多調節器選項,包括帶有內置電子設備的電子設備,結合可選的行程測量,我們可以完全控制泵參數
從 10 到 220 cc / rev 的寬排量范圍
工作壓力高達 280 bar
Yuken油研AR16、22系列柱塞泵特點:
重量輕(例如:Yuken AR16 重 11.6kg)
緊湊的設計
基于 Yuken A 系列的經驗
工作壓力高達 160 bar
Yuken油研A3HG16、37、56、71、100、145、180系列柱塞泵特點:
工作壓力高達 315bar(峰值 350 bar)
從 16 到 180 cc / rev 的寬排量范圍
監管機構的高工作文化,因為它是一個相對較新的建筑,Yuken 已經工作了很多年
快速反應調節器(可變操作條件下的低延遲)
建設一直在發展,更多的選擇和監管機構即將到來
