油研YUKEN調速閥、 單向調速閥
這兩類閥是壓力和溫度補償型閥,能維持穩定的流量,不隨系統壓力(負載)和溫度(油液粘度)而變化。用其控制液壓回路中的流量,從而精確地控制執行元件的速度。帶單向閥型可獲與控液流反向的自由液流。借助數字刻度盤,可方便地調節或重新設定流量。
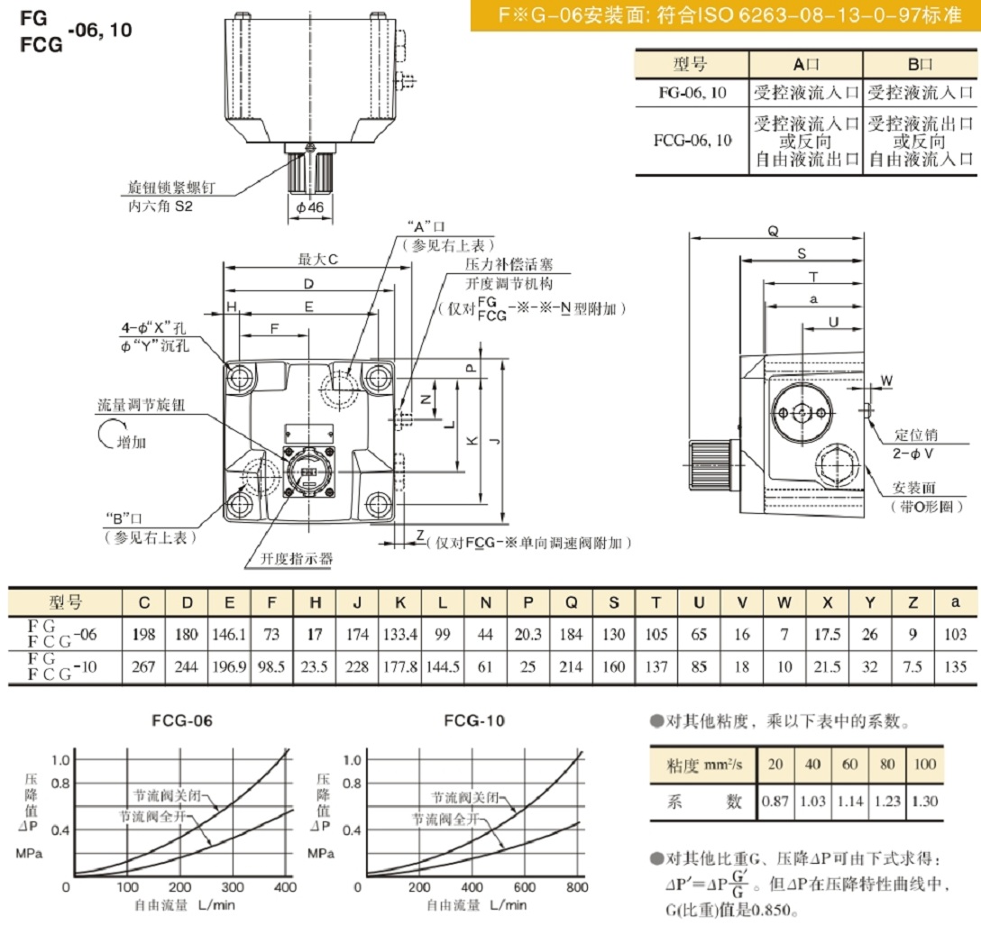
油研調速閥FG-10,FCG-06,FG-10,FCG-10參數及型號說明:

■使用注意事項
●最小所需壓差:
在進口與出口之間最小所需壓差以獲得最佳的壓力補償。最小壓差隨設定流量而變(詳情參見特性曲線)
流量調節:
[F※G-01]
松動刻度盤鎖緊螺釘,將旋轉盤順時針轉動流量增加,逆時針轉動流量減少。旋鈕從全開到關閉約4轉。閥開度顯示在刻度盤轉數指示器上。( 參見開度-流量特性)調節后一定要按規定的扭矩擰緊鎖緊螺母。
[F※G-02、03、06、10]
松動刻度盤固定螺釘,將旋轉盤順時針轉動流量增加,逆時針轉動流量減少。此外,閥開度以數字顯示在旋鈕的開度指示器上,手柄每轉--轉數字則增減100(參見開度-流量特性)調節后--定要按規定的扭矩擰緊鎖緊螺母。
()管路濾油器
對小于2L/min的小流量進行調節時,務必在靠近閥的進口處設置小于10μm的管路濾油器。
FG-10,FCG-06,FG-10,FCG-10油研調速閥安裝圖:

YUKEN單向調速閥FCG-06-250-30
YUKEN單向調速閥FCG-06-250-N-30
YUKEN單向調速閥FCG-10-500-30
YUKEN單向調速閥FCG-10-500-N-30
油研調速閥FG-06-250-30
油研調速閥FG-06-250-N-30
油研調速閥FG-10-500-30
油研調速閥FG-10-500-N-30
油研調速閥技術特性工作原理:
油研調速閥是由定差減壓閥.與節流閥串聯而成的組合閥。
YUKEN節流閥用來調節通過的流量, 定差減壓閥則自動補償負載變化的影響,使節流閥前后的壓差為定值, 消除了負載變化對流量的影響。
節流閥前、后的壓力分別弓|到減壓閥閥芯右、左兩端,當負載壓力增大,于是作用在減壓閥芯左端的液壓力增大,閥芯右移,減壓C ]加大,壓降減小,從而使節流閥的壓差保持不變;反之亦然。這樣就是調速閥的流量恒定不變(不受負載影響)。
調速閥也可以設計成節流后減壓的結構。
這些閥門具有壓力和溫度補償功能鍵入閥門并保持恒定的流速獨立于系統壓力(負載)和溫度(流體的粘度)。
他們控制流量液壓回路率和終控制的執行器速度。
帶有一體式止回閥的閥門可以控制流動和反向自由流動。重復 重置即可通過數字讀數輕松完成。
這些閥門的流量控制是通過不斷進行的液壓操作的導活塞機構它控制著孔C ]的開口面積閥門。
隨著這些閥門的使用,無沖擊操作無論是加速還是減速都可以獲得。
用壓力補償器和溫度,可以獲得穩定的流量控制無論壓力(負載)的變化如何溫度(油粘度)
這些閥的流量控制通過液壓操作的導活塞機構連續進行,該導活塞機構控制閥的開口面積。
通過使用這些閥,可以獲得加速或減速的無沖擊操作。
使用壓力和溫度補償器,無論壓力(負載)和溫度(油粘度)如何變化,都可以獲得穩定的流量控制。